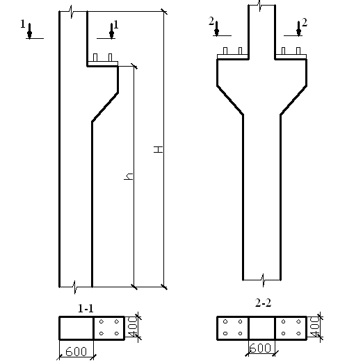
Колонна железобетонная 3к 120-1 из серии 1.424.1-5 предназначена для использования в строительстве зданий и сооружений. Она обладает высокой прочностью и устойчивостью к воздействию различных нагрузок, что делает ее идеальным выбором для создания надежных опорных конструкций. Колонна имеет стандартные размеры и габариты, что обеспечивает легкость в монтаже и установке. Благодаря качественным материалам и тщательному производству, данная колонна обеспечивает долгий срок службы и надежную защиту от внешних воздействий.









