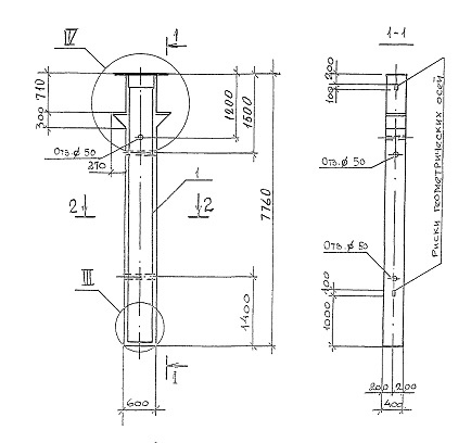
Колонна железобетонная 1КД 6-60-2,1 из серии 1.420.1-32 предназначена для использования в строительстве как несущий элемент. Она обладает высокой прочностью и устойчивостью к воздействию внешних нагрузок, что делает ее идеальным выбором для возведения зданий и сооружений различного назначения.









